
|
型 号 |
过滤面积
(m2) |
转鼓直径
(m) |
浸入角
(°) |
转鼓转速
(r/min) |
主机功率
(kW) |
重量
(kg) |
外形尺寸
(mm) |
|
GF2/1.0 |
2 |
1.0 |
120 |
0.13~2 |
0.37 |
1540 |
1600×1850×1500 |
|
GF5/1.6 |
5 |
1.6 |
120 |
0.13~2 |
0.55 |
2550 |
2200×2500×2100 |
|
GF10/2.0 |
10 |
2.0 |
140 |
0.13~0.79 |
1.5 |
4180 |
3380×3050×2170 |
|
GF15/2.5 |
15 |
2.5 |
140 |
0.13~0.79 |
1.5 |
5380 |
3860×3300×2750 |
|
GF20/2.5 |
20 |
2.5 |
90~140 |
0.13~0.79 |
1.5 |
6450 |
4460×3300×2750 |
|
GF25/2.5 |
25 |
2.5 |
90~140 |
0.13~0.79 |
1.5 |
7540 |
5160×3300×2750 |
|
GF30/3.0 |
30 |
3.0 |
90~140 |
0.13~0.79 |
2.2 |
8710 |
5100×4700×3570 |
|
GF35/3.0 |
35 |
3.0 |
90~140 |
0.13~0.79 |
2.2 |
9700 |
5530×4700×3570 |
|
GF40/3.0 |
40 |
3.0 |
90~140 |
0.13~0.79 |
2.2 |
12000 |
6100×4700×3570 |
|
GF45/3.0 |
45 |
3.0 |
90~140 |
0.13~0.79 |
2.2 |
12800 |
6600×4700×3570 |
|
GF50/3.0 |
50 |
3.0 |
90~140 |
0.13~0.79 |
2.2 |
13900 |
7400×4700×3570 |
|
GF60/3.5 |
60 |
3.5 |
90~140 |
0.13~0.79 |
2.2 |
16070 |
7600×5273×4070 |
|
GF70/3.5 |
70 |
3.5 |
90~140 |
0.13~0.79 |
2.2 |
19800 |
8600×5273×4070 |
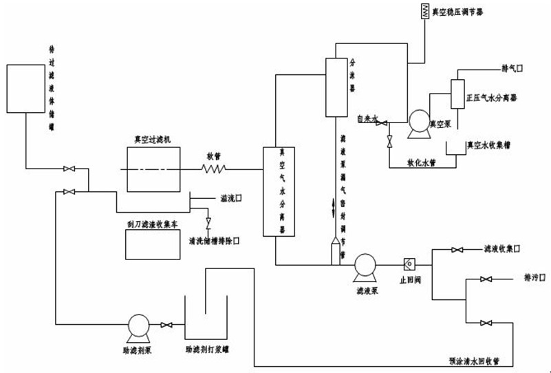
石家庄科石机械设备有限公司:真空转鼓过滤机、转鼓真空过滤机、脱硫真空转鼓过滤机、板框式离心式等过滤机械及其配套设备,精诚合作,质量保证,值得信赖!